Table-based version
Directory /pub/cbm/schematics/computers/c64/manual/
Service Manual, Model C64 Computer, Feb. 1985 PN-314001-02
- ../
- [Parent directory]
- c64--title.gif
- title page
- c64-00.gif
- contents
- c64-01.gif
- specifications
- c64-02.gif
- major parts
- c64-03.gif
- block diagram
- c64-04.gif
- c64-05.gif
- c64-06.gif
- c64-07.gif
- c64-08.gif
- c64-09.gif
- c64-10.gif
- c64-11.gif
- c64-12.gif
- c64-13.gif
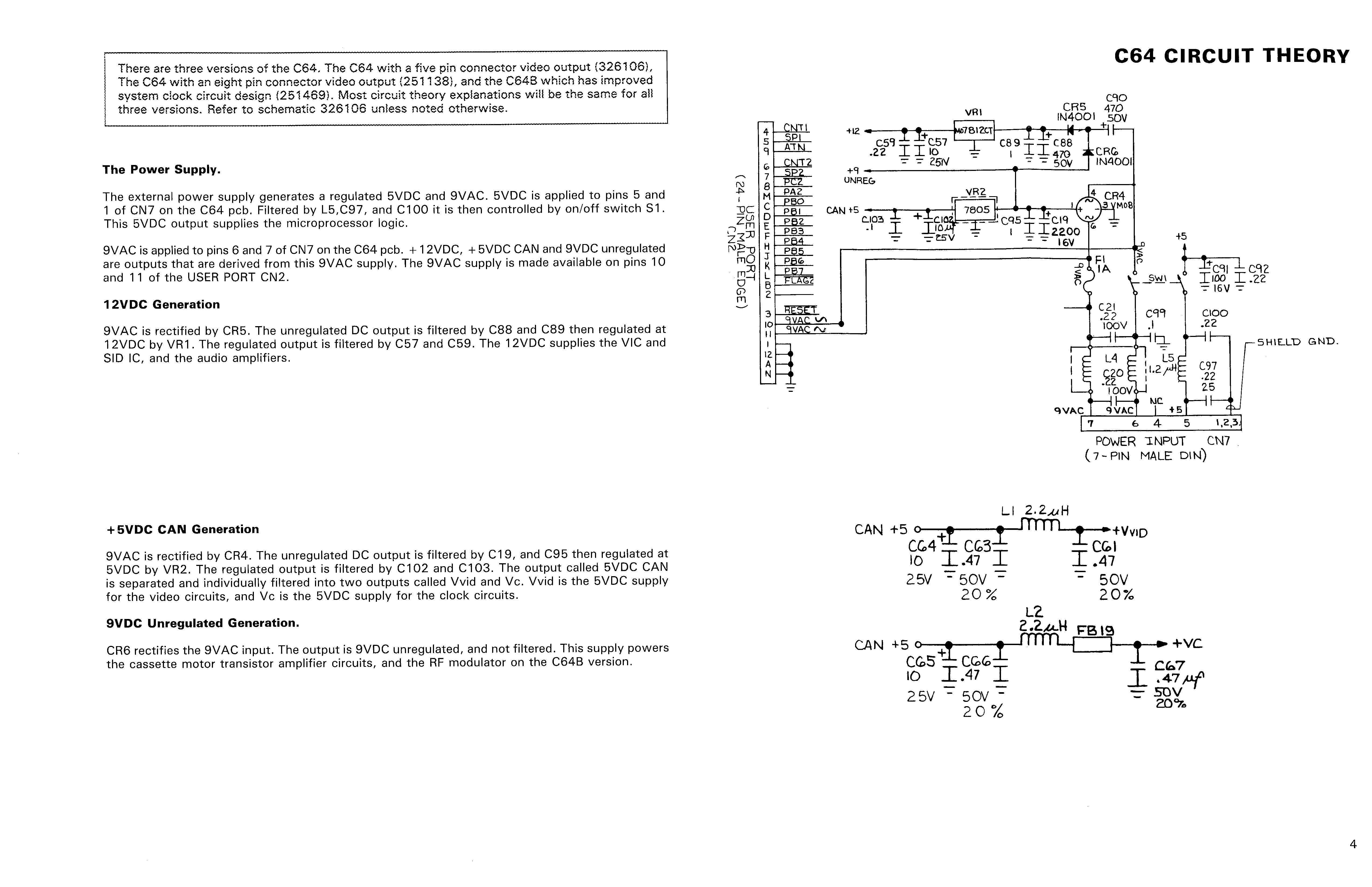
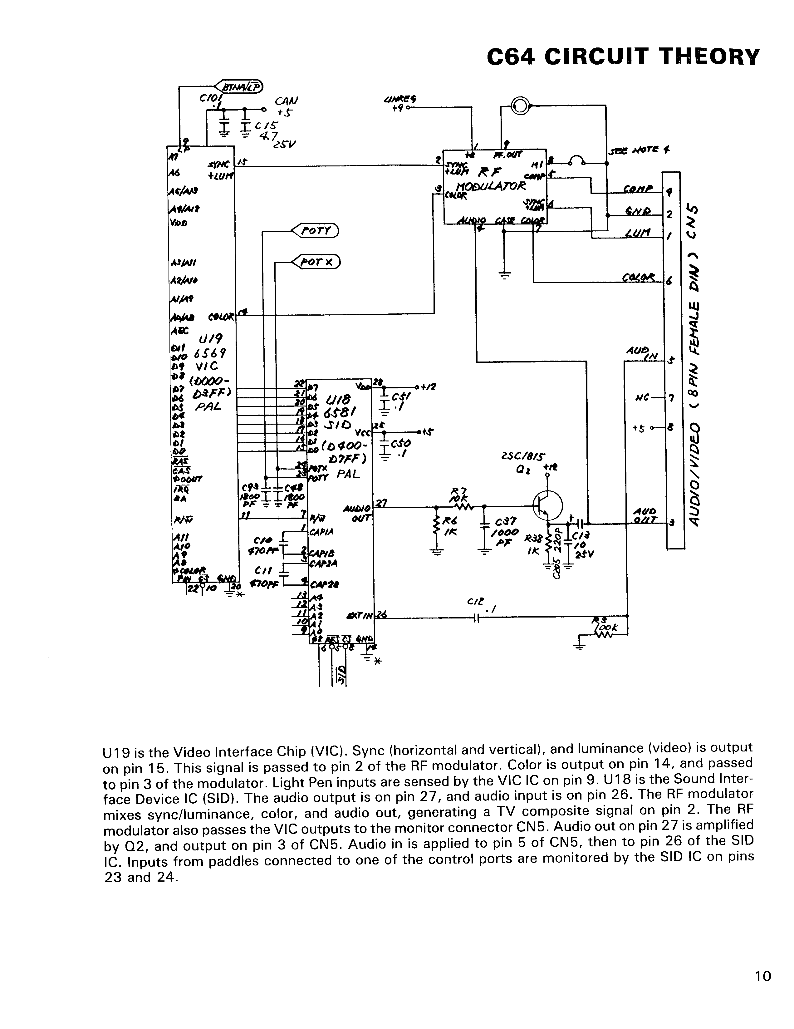
- circuit theory
- c64-14.gif
- c64-15.gif
- c64-16.gif
- troubleshooting guide
- c64-17.gif
- board identification
- c64-18.gif
- board layout #326298-01
- c64-19.gif
- c64-20.gif
- parts list for 326298
- c64-21l.gif
- 6526 and 6581 pinouts
- c64-21r.gif
- schematic 326106 sheet 1 of 2
- c64-22l.gif
- RAM information
- c64-22r.gif
- schematic 326106 sheet 2 of 2
- c64-23.gif
- board layout #250407-04
- c64-24.gif
- c64-25.gif
- parts list for 250407-04
- c64-26l.gif
- modulator schematic #251025
- c64-26r.gif
- schematic 251138 sheet 1 of 2
- c64-27l.gif
- 6510 and PLA pinouts
- c64-27r.gif
- schematic 251138 sheet 2 of 2
- c64-28.gif
- board layout #250425-01
- c64-29.gif
- c64-30.gif
- parts list for 250425-01
- c64-31l.gif
- modulator schematic #251696
- c64-31r.gif
- schematic #251469 sheet 1 of 2
- c64-32l.gif
- video chip pinout
- c64-32r.gif
- schematic #251469 sheet 2 of 2
[FTP://NIC.FUNET.FI/pub/cbm/schematics/computers/c64/manual/ | SunSITE ftp | SunSITE http]
Problems? Please consult /pub/cbm/README,
/pub/cbm/README.FILETYPES and
/README.FILETYPES!
Tired of downloading? See /pub/cbm/README.CD-ROM.
cbm-adm@ftp.funet.fi