[Prev] [Next] [Contents] [Commodore] [New] [Home]

C64 CIRCUIT THEORY

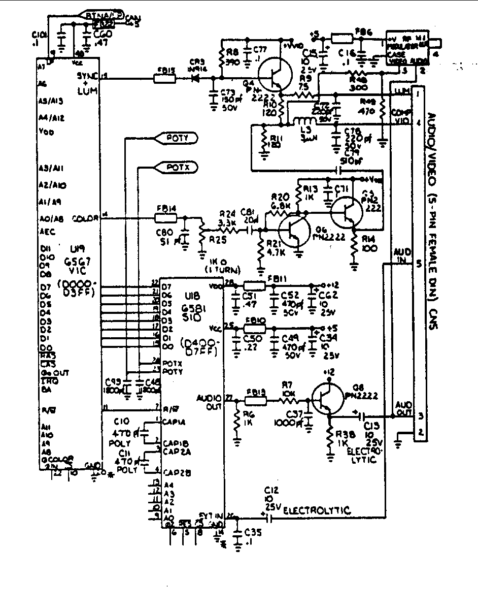
[5 pin video and audio schematic]
5 Pin Video and Audio Output Circuits
Pin 15 of the VIC IC is the sync/luminance output. Pin 14 is the color output. A composite video output is created by mixing sync/luminance and color. The composite output is applied to the RF modulator, and also passed to the monitor connector CN5 on pin 4. The color output is not made available on the monitor connector CN5 as on the 8 pin version, and the RF modulator mixes audio with the composite video producing the TV RF output, unlike the 8 pin version RF modulator which creates the composite video output.
[Prev] [Next] [Contents] [Commodore] [New] [Home]
This page has been created by Sami Rautiainen.
Last updated February 11, 1998.
Read the small print.