[Prev] [Next] [Contents] [Commodore] [New] [Home]

C64 CIRCUIT THEORY

[Clock circuit schematic]
The C64 Clock Circuits.
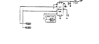
Crystal Y1 develops a 14.31818MHz fundamental frequency clock signal. U31 is a Dual Voltage Controlled Oscillator. The output on pin 10 is a 14.31818 MHz clock signal called the color clock. R27 can be adjusted to obtain exact output frequency. U30 is a frequency divider that outputs a 2MHz signal on pin 6. U29 is a D flip flop which outputs a 1MHz signal on pin 9. U32 is a Phase/Frequency Detector which compares the output of the U29 to the phase 0 clock, and outputs a dc voltage on pin 8 that is proportional to the phase difference between the inputs. The second half of the Dual Voltage Controller Oscillator U31 generates an 8.1818MHz clock signal called the DOT Clock. The VIC IC divides the DOT clock by eight and outputs this as the phase 0 clock on pin 17. The output of the Phase/Frequency Detector is applied to the frequency control input pin 2 of U31. This causes tracking of the dot clock and the color clock because one input, pin 4 of U32, is the phase 0 clock which is derived from the dot clock, and the other pin 1 of U32, is derived from the color clock. [Clock circuit (C64B) schematic]
The C64B Clock Circuits. Refer to schematic 251469
Crystal Y1 develops the fundamental 16Mhz clock signal. U31 is a Clock Generator IC that outputs the 8.1818MHz DOT clock on pin 6, and the 14.31818 MHz color clock on pin 8.
[Prev] [Next] [Contents] [Commodore] [New] [Home]
This page has been created by Sami Rautiainen.
Last updated February 11, 1998.
Read the small print.